數控走心機
車銑復合
排刀機
動力刀塔
公司動態
行業新聞
走心機知識
意見建議
資料下載
公司介紹
發展歷程
企業文化
榮譽資質
加入我們
今年的政府工作報告指出,重點支持既促消費惠民生又調結構增后勁的“兩新一重”建設,其中...
辛苦試切,卻未能達到客戶要求, 你是否會選擇放...
臺群精機(深圳市創世紀機械有限公司)作為集智能裝備的研發、生產、銷售、服務于一體的國...
尼古拉斯·克雷亞(NicolásCorrea)憑借著新一代 FOX 機床和 銑削頭U...
近日,齊二機床公司秦皇島分公司自主研發的PF260SS型零件成形機試車成功。該產品可...
今年6月1日,在格力電器2019年度股東大會上,董明珠表示,格力電器現已進軍智能裝備...
6月2日,秦川集團黨委書記、董事長,法士特集團黨委書記、董事長嚴鑒鉑在西安會見廣州數...
山東普利森集團的前身是德州機床廠,始建于1940年,2002年企業改制,國有資產全部...
每個車間管理人員都關心機床效率,但在實際生產中常常會遇到停機、機床利用率不高等問題。...
航空發動機被譽為工業皇冠上的明珠,因其零部件具有結構復雜、制造加工難度大、加工精度要...
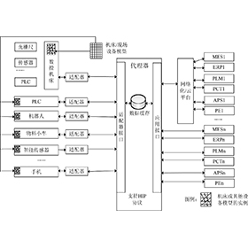
NC-Link(數控機床互聯通訊協議標準)的研發應用已進入第5個年頭。數控機床互聯通...
2019年11月底,山東普利森集團下屬德州德隆(集團)機床有限公司通過了國家級高新技...
“日本十大新產品獎”是為了表彰有利于促進日本制造業發展、提升日本國際工業實力的產品而...
5月31日,大族激光智能裝備集團在蘇州大族舉辦首條白車身焊裝主線交付儀式。大族激光智...
5月30日,無錫慶源激光科技有限公司2020年制造業的效率革命暨常州市銀創光電有限公...
NC-Link(數控機床互聯通訊協議標準)的研發應用已進入第5個年頭。2016年5月...
5月28日,陜西省工信廳劉波副廳長一行蒞臨秦川集團進行“工業穩增長和產業結構調整情況...
當前,新基建為正在轉型升級中的中國智造帶來強勁新引擎,無論是以5G、工業互聯網、物聯...
華中8型高性能數控系統在包括高檔數控重大專項在內的多種中檔、高檔數控機床上成功應用,...
1—4月份,全國規模以上工業企業實現利潤總額12597.9億元,同比下降27.4%,...
月28-31日,2020首屆立嘉國際智能裝備展覽會-線上展隆重舉辦。本屆展會由立嘉會...
TC12系列
TC20系列
TC26系列
TC32系列
TC38系列
資質榮譽
售 前:0755-29680755
售 后:0755-85243253
總 機:0755-29680608
微信公眾號 抖音